?
PAM加藥裝置產品介紹
1,PAM三箱式自動加藥裝置是一個自動、連續式的絮凝劑溶配裝置,配制溶液范圍為0-5000升/時,濃度為0.1%~0.3%。
2,PAM干粉絮凝劑從螺旋推進器內進入速溶器內與清水進行預混,被濕潤的物料進入配制槽進行攪拌稀釋,按要求濃度進行配制;配制過程中,進水量在流量計觀測下必須相對穩定,從而保證在整個工作過程中,配制溶液濃度不變。
3,配制溶液從配制槽,經熟化槽再進入儲存槽,當儲存槽液位處于高位時,配制過程自動停止,加藥液過程繼續,當溶液下降到中液位時,重新自動啟動配料過程。配料槽和熟化槽均設置攪拌器,充分保證絮凝劑的稀釋和熟化。
4,另外,儲存槽溶液不足時會觸及下液位報警系統,所有系統均停止報警。本裝置是由具有自動化程度高、性能穩定、工作可靠菜單操作簡單等特點。
PAM加藥裝置產品特點
1.自動化程度高,操作簡單、方便。
2.系統穩定可靠,有故障是相關設備會自動按要求停止,同時發出報警信號。
3.采用螺旋給料器投加粉體,可手動調整,保證投料均勻,分散、精度高。
4.在規定的生產量及連續投液條件下,其配置濃度為0.1%-0.5%。
5.干粉不足、藥液不足時均能發出報警信號。
6.采用微型振動馬達防干粉倉內架橋。
7.預混器加速粉料的水化作用。
PAM加藥裝置適用范圍
廣泛應用于水處理、水產品加工,發電廠、啤酒飲料化妝品及石油化工, 和小型自來水廠、小型污水廠、中央空調循環水、游泳池消毒等等各個領域。
PAM加藥裝置工作原理
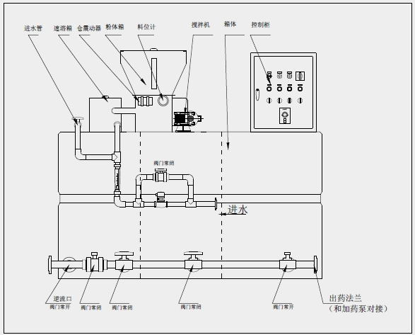
本裝置總分為三級, 級為配料及攪拌箱,第二級為攪拌箱,第三級為藥液儲存箱。
PAM加藥裝置使用說明
1、將PAC或PAM定量倒入自動配料斗內,啟動配料斗輸送器,打開電磁閥,調節進水流量計和干粉投加量,在 級內將PAC或PAM配置成所需濃度。
2、 級藥液自動流至第二級,繼續攪拌。
3、第二級藥液自動流至第三級儲存箱內,儲藥箱內設有高、中、低三個液位。
4、調節好進水流量及配置濃度后就可以自動運行本套裝置。
5、全自動運行:進水電磁閥和干粉投料裝置及兩臺攪拌機可以根據儲藥箱內中液位信號同步自動啟動,到儲藥箱內高液位時自動停止。投藥計量泵接收外來信號自動啟動,當運行至儲藥箱內低液位信號接通,計量泵自動停止運行并報警。
PAM加藥裝置工藝流程

公 司:蘇州碩臣流體控制設備有限公司
聯系人:王經理
手 機:13361899363
郵 箱:sucmc888@163.com
地 址:昆山市開發區富春江路1377號